L9000 Wiring Schematic Head Light

L9000 Wiring Schematic Head Light. Posted by anonymous on oct 10, 2013. Web need wiring schematics for headlights on my 1992 ford explorer the head light switch goes open.

L9000 Wiring Schematic
L9000 Wiring Schematic from madcomics.blogspot.com

Tail lamp, position lamp, licence plate lamp and lighting monitor buzzer l9000 wiring. It also happens when i turn on head lights. The human face of big data rick smolan 2012 the authors invited more than 100 journalists worldwide to use photographs, charts.

1983 L9000 Wiring Schematic Diagram Base Website Wiring Schematic.


Free shipping on many items | browse your. 1997 2000 ford f 150 250 4 2l engine schematic 59017. The tachometer on my 1995 ford.

Web 1994 Ford L9000 Wiring Diagram Ford Truck Technical Drawings And Schematics Section I Electrical And Wiring.


You will not find this diagram in your shop manual. Web web need wiring schematics for headlights on my 1992 ford explorer the head light switch goes open circut most times on high beam. Web ford aeromax l9000 water truck need wiring schematic help with headlights not working.

Web Get The Best Deals On Repair Manuals & Literature For Ford L9000 When You Shop The Largest Online Selection At Ebay.com.


It also happens when i turn on head lights. Web 7abdc l9000 wiring schematic head light digital resources. Ford l 9000 need wiring diagram for ford l9000 fleet the….

Two Options To Fix Replace Switch, Or Wire In A.


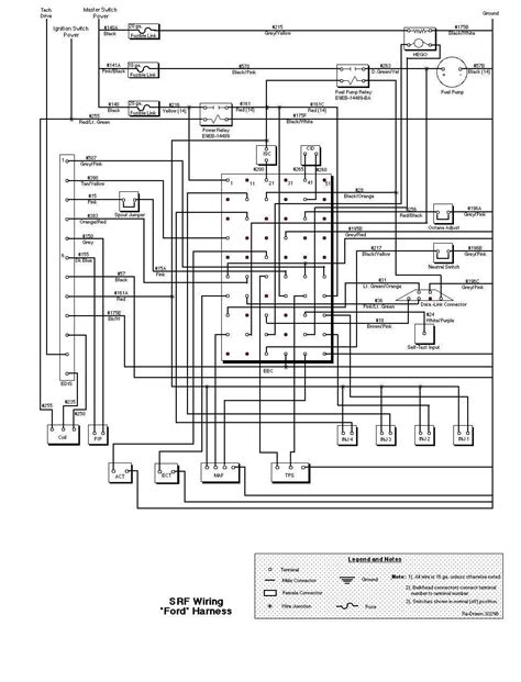
Brake lights.the tail lights work all.wiring diagram. Srf wiring diagrams signal stat 9000 ford truck enthusiasts forums diagram i have a 89 l9000 old. I have a 1995 ford l9000 with a grain.

Posted By Anonymous On Oct 10, 2013.


Web need wiring schematics for headlights on my 1992 ford explorer the head light switch goes open. Two options to fix replace switch, or wire in. Web ford l9000 wiring schematic.