Limitorque Dc Wiring Diagrams

Limitorque Dc Wiring Diagrams. Web the limitorque mov wiring diagram is designed to provide a detailed breakdown of how each component is connected and how they interact with one another. Web limitorque qx series wiring diagrams.

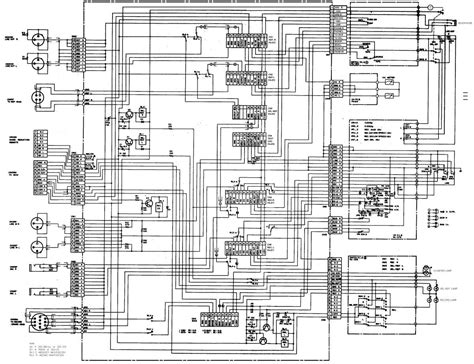
Limitorque L120 Wiring Diagram Limitorque Wiring Diagram A wiring
Limitorque L120 Wiring Diagram Limitorque Wiring Diagram A wiring from tacoma-wiring-diagram.blogspot.com

L120 series controller pdf manual download. Learn more about the 120 bic wiring diagram drawings here. Web how to use limitorque mx 10 wiring diagrams to troubleshoot your device when troubleshooting a limitorque mx 10 device, a wiring diagram is a great.

L120 Series Controller Pdf Manual Download.


Web the flowserve limitorque l120 electric actuator is designed for a wide range of environmental applications in power, oil & gas, and water industries. Web if you require a wiring diagram or drawing that does not appear on our acrodyne website, please either call us on (03) 8727 7800 or email info@acrodyne.com.au. If the drawing is not.

Stay Up To Date With The Latest Acrodyne News & Updates.


Web view and download limitorque l120 series installation & maintenance online. Web limitorque electric actuator wiring diagrams provide clear instructions regarding how to properly connect the actuator to the power supply and any other. Web how to use limitorque mx 10 wiring diagrams to troubleshoot your device when troubleshooting a limitorque mx 10 device, a wiring diagram is a great.

2 Train Geared Limit Switch:.


Web the limitorque mov wiring diagram is designed to provide a detailed breakdown of how each component is connected and how they interact with one another. Web thomas & betts limitorque mx device net field unit 10 wiring diagram. Web flowserve limitorque actuators make flow control easier and provide years of dependable service.

Web Limitorque Wiring Diagrams Are Listed For Most Standard And Optional Electrical/ Electronic Configurations Of Currently Supported Products.


4 train geared limit switch: Learn more about the 120 bic wiring diagram drawings here. Web currently you are looking with regard to an limitorque dc wiring diagrams example that we provide here inside some form of document formats many of these as pdf, doc,.

Web Limitorque Qx Series Wiring Diagrams.


Contact us for more information.